Sign In | Join Free | My ecer.com.ru
China Sinuo Testing Equipment Co. , Limited logo
Sinuo Testing Equipment Co. , Limited
Sinuo Testing Equipment Co., Limited
Verified Supplier

7 Years

Home > MCB Testing Machine >

IEC 60898-1 Circuit Breaker 500A Residual Current Testing System

Sinuo Testing Equipment Co. , Limited
Trust Seal
Verified Supplier
Credit Check
Supplier Assessment
Contact Now

IEC 60898-1 Circuit Breaker 500A Residual Current Testing System

Brand Name : Sinuo

Model Number : SN2510

Certification : Calibration Certificate (Cost Additional)

Place of Origin : China

MOQ : 1

Price : Customized

Payment Terms : L/C, T/T

Supply Ability : 10 Sets Per Month

Delivery Time : 30 business days

Packaging Details : Plywood

Applied Standard : IEC 60898-1

Equipment Capacity : 90KVA

Test Frequency : 50/60/150/400/700/1000Hz

AC Type 50Hz AC Residual Current : 2mA-10A, 20-500A

Composite Wave (F type) Contains : 10Hz: 3.5%; 50/60Hz: 13.8%; 1000Hz: 13.8%

A-Type Half-wave Pulsating Residual Current : 0°: 5mA-7A; 90°: 5mA-5A; 135°: 5mA-2A

Contact Now

IEC 60898-1 Circuit Breaker 500A Residual Current Testing System


Product overview:

It complies with the standards of IEC 60898-1, IEC 1008-1, IEC 61009-1, IEC 62423 and etc. Main components (power cabinet, leakage control cabinet, resistance load cabinet)

Remarks: The power cabinet is provided by the customer.



Technical parameters:

1. Working power supply: three-phase four-wire 380V±10%.

2. Equipment capacity: 90KVA.

3. Output voltage: provided by the user.

4. AC Type 50Hz AC Residual Current: 2mA-10A, continuously adjustable, accuracy level: 0.5 level.

20-500A, step output, accuracy level: 1.5 level.

5. A-ype Half-wave Pulsating Residual Current: 0°: 5mA-7A, 90°: 5mA-5A, 135°: 5mA-2A, accuracy level: 2.0 level.

6. 150H, 400Hz, 1000Hz residual current: 2mA-10A, accuracy level: 0.5 level.

7. Smooth DC current: 2mA-10A, accuracy level: 1.0 level.

8. Test frequency: 50/60Hz, 150Hz, 400Hz, 700Hz, 1000Hz.

9. Composite Wave (F type) Contains 10Hz content 3.5%, 50/60Hz content 13.8%, 1000Hz, content 13.8%.

10. Timing accuracy: 5mS, resolution 1mS.

11. Three-phase load current: AC 1-125A, resistor superposition fixed output.

12. Qingzhi electrical parameters: AC 500V/5A, accuracy level: 0.5 level.

13. Automatic test interface:

Automatic editing of test items and automatic recording of test data

Test Content:

  • AC Type

(1) 9.9.2, when there is no load, use the residual current to test.

(2) 9.9.2.1: When the residual current increases steadily, verify the correctness of the action.

(3) 9.9.2.2: When the residual current is closed, verify the correctness of the action.

(4) 9.9.2.3: When the residual sinusoidal AC current suddenly appears, verify the correctness of the action.

S type: When the residual current and test time in Table 2 are suddenly added, the product does not trip.

(5) 9.9.2.4: When the residual current value between 5In and 500A suddenly appears, verify the correctness.

The current grades are: 5A, 10A, 20A, 50A, 100A, 200A, 500A.

(6) 9.9.3 When under load, test with residual current.

When under rated current, test according to 9.9.2.2 and 9.9.2.3.

(7) 9.9.5 Special test conditions for RCDs whose operating function is related to the power supply voltage.

Test with 0.85 times and 1.1 times the rated voltage.

  • A Type

(1) 9.21.1.1 Verify the correct operation when the residual pulsating DC current continues to rise

(2) 9.21.1.2 Verification of correct operation in the event of a sudden residual pulsating DC current

(3) 9.21.1.3 Correct operation under load. With rated current, test according to 9.21.1.1

(4) 9.21.1.4 Verify the correct operation when residual pulsating DC current is superimposed on 0.006A smooth DC

  • F Type

(1) 9.1.2 Verify correct operation when the combined residual current increases steadily.

(2) 9.1.3 Verify correct operation when the combined residual current is suddenly applied. Verify the breaking time of the RCD, the test current is calibrated to 1.4In x 5In.

(3) 9.1.4 Verify correct operation of a four-pole F-type RCD when a residual current appears when only two poles are powered.

Test the four-pole product according to 9.1.2, but only test the neutral conductor and one of the lines.

(4) 9.1.6 Verify performance under inrush residual current. Apply a pulse with a peak current of 10Ind, measure 3 times in the forward direction and 3 times in the reverse direction, and the product does not trip.

(5) 9.1.7 Verify correctness when a pulsating DC residual current is superimposed with a 10mA smooth current. Superimpose a 10mA smooth DC residual current on the AC residual current at rated frequency.

  • B Type

(1) 9.2.1.2 Verification of correctness for sinusoidal AC residual currents of 1000 Hz and below

a. Slowly increase from 0.2In to the residual current action value specified in Table 2 within 30 seconds.

b. Verify the breaking current. If the current specified in Table 2 suddenly appears, test the tripping time of the product.

General RCD: T<0.3s S-type RCD: 0.13s ≤ T <0.5s

IEC 60898-1 Circuit Breaker 500A Residual Current Testing System

(2) 9.2.1.3 Verification of correct operation when AC residual current is superimposed on smooth DC residual current.

Superimpose 0.4 times the rated residual operating current on the AC residual current (AC type) at rated frequency.

Smooth DC residual current or 10mA smooth DC residual current (whichever is greater).

(3) 9.2.1.4 Correct operation when pulsating DC residual current is superimposed on smooth DC residual current

IEC 60898-1 Circuit Breaker 500A Residual Current Testing System

A smooth DC residual current of 0.4 times the rated residual operating current or a smooth DC residual current of 10mA (the larger of the two) is superimposed on the AC residual current of rated frequency (Type A, 0° angle).

(4) 9.2.1.5 Verify correct operation when a DC residual current is generated by a two-phase rectifier circuit

a. Slowly increase the current from 0.2In to 2In to test the product tripping current.

b. According to the current value specified in Table 1, suddenly add leakage current and test the product tripping time.

IEC 60898-1 Circuit Breaker 500A Residual Current Testing System

(5) 9.2.1.6 Verification of correct operation when a DC residual current is generated in a rectifier circuit of a three-phase power supply

a. Slowly increase the current from 0.2In to 2In to test the product tripping current.

b. According to the current value specified in Table 1, suddenly increase the leakage current and test the product tripping time.

IEC 60898-1 Circuit Breaker 500A Residual Current Testing System

(6) 9.2.1.7.1 Verify correct operation without load when smoothing DC residual current

a. Slowly increase from 0.2In to 2In to test the product tripping current.

b. Sudden increase of leakage current according to the current value specified in Table 1 to test the product tripping time.

IEC 60898-1 Circuit Breaker 500A Residual Current Testing System

(7) 9.2.1.7.2 Under load, verify correct operation with smooth DC residual current.

Test the product tripping current by slowly increasing the current from 0.2In to 2In.

(8) 9.2.3 Verify correct operation of three-pole and four-pole B-type RCDs when only two poles are supplied.

Perform the test in accordance with 9.2.1.2 and 9.2.1.7.1, supplying only neutral and phase (one phase) power.

(9) 9.2.4 After the test, verify that the RCD

is tripped by a test current of 2.5In smooth DC.

Structure:


IEC 60898-1 Circuit Breaker 500A Residual Current Testing System

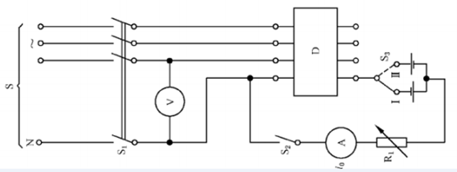
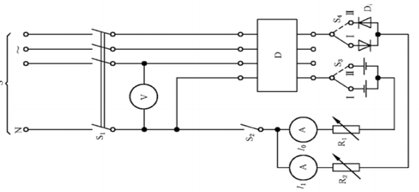
Equipment Composition Introduction

1. Leakage control cabinet:

Mainly composed of 3 leakage testers (S1) closed leakage, B type 10A leakage, 500A leakage) and control circuit.

It can realize the test of all types of residual current circuit breakers at this stage, such as AC type (power frequency AC), A type (power frequency AC and pulsating DC), F type (variable frequency AC and composite wave), B type (full function).

Including: 150, 400, 1000Hz and below sinusoidal AC residual current, AC residual current superimposed on smooth DC residual current, pulsating DC residual current superimposed on smooth DC residual current, pulsating DC residual current generated by two-phase or multi-phase rectifier circuit, smooth DC residual current.

2. Automatic control system: mainly composed of Advantech industrial computer (I7/8G), 21.5-inch LCD screen, MCGS all-in-one machine, Qingzhi electrical parameters, Omron PLC and various low-voltage control components, sampling transformers, etc.

3. 125A load current: This load is a 1-125A full resistive load, composed of multiple resistors in parallel. (0.5A, 1A, 2A, 3A, 5A, 10A, 10A, 20A, 40A, 50A), controlled by contactor, automatically switched, and three phases work simultaneously.

Details Display

IEC 60898-1 Circuit Breaker 500A Residual Current Testing System

IEC 60898-1 Circuit Breaker 500A Residual Current Testing System


Product Tags:

IEC 61000-4-12 EMC Tester

      

Ringing Wave Signal EMC Tester

      

Ringing Wave Signal Test Generator

      
China IEC 60898-1 Circuit Breaker 500A Residual Current Testing System wholesale

IEC 60898-1 Circuit Breaker 500A Residual Current Testing System Images

Inquiry Cart 0
Send your message to this supplier
 
*From:
*To: Sinuo Testing Equipment Co. , Limited
*Subject:
*Message:
Characters Remaining: (0/3000)